Roller Coaster Simulation

Abstract

This project simulates the motion of a rollercoaster cart propelled by a Permanent Magnet Linear Synchronous Motor (PMLSM) across a complex track profile. The simulation incorporates realistic physics including gravitational forces, friction, and air resistance to analyze whether the motor's 4-second thrust is sufficient to complete the course. Developed in MATLAB/Simulink, this model serves as a valuable tool for roller coaster design and safety analysis.

View on GitHub

Technical Implementation

Mathematical Modeling

  • Dynamic equations of motion accounting for variable track inclines
  • PMLSM motor thrust characteristics and power delivery
  • Friction models including rolling resistance and air drag
  • Energy conservation validation framework

Simulation Framework

  • MATLAB/Simulink implementation with modular subsystems
  • Interconnected motor and cart dynamics models
  • Custom track profile configuration
  • Real-time data visualization capabilities
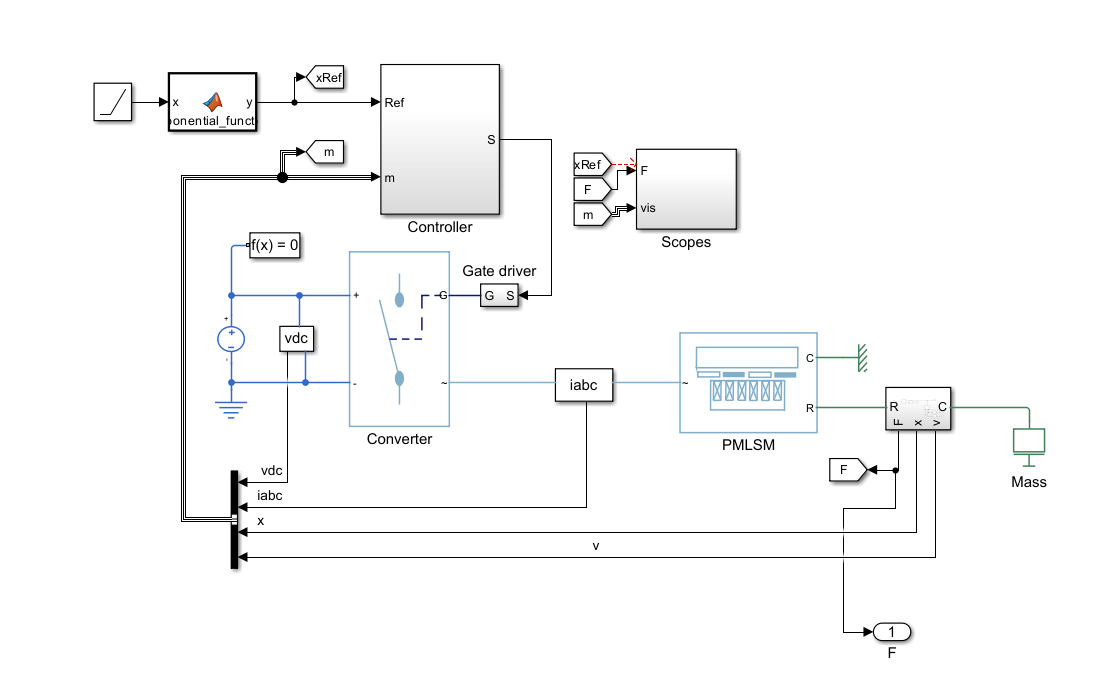
System Architecture
Figure 1: System Integration Diagram

Complete simulation framework showing the interaction between motor, cart, and track subsystems

Motor Characteristics
Figure 2: PMLSM Motor Model

Thrust profile and electrical characteristics of the linear synchronous motor

Track Profile
Figure 3: Track Profile Analysis

Variable incline track with marked sections for force analysis

Key Simulation Features

Motor Thrust Analysis

Detailed modeling of the PMLSM's 4-second acceleration phase and its impact on initial velocity

Incline Performance

Simulation of cart behavior on various track slopes and transitions

Force Monitoring

Real-time tracking of gravitational, frictional, and air resistance forces

Results and Impact

The simulation provided critical insights into roller coaster dynamics and design considerations:

Performance Metrics

Precise velocity and position tracking throughout the course

Safety Analysis

Identification of critical force thresholds and potential failure points

Design Validation

Confirmation of motor specifications for given track profiles

Future Enhancements

Conclusion

This roller coaster simulation project successfully demonstrates the power of computational modeling in amusement ride design. By accurately simulating the complex interplay between motor thrust, track geometry, and environmental forces, the project provides a robust framework for evaluating roller coaster performance and safety. The results validate the PMLSM motor's capability to propel the cart through the specified course while offering valuable insights for optimizing future designs. This approach significantly reduces the need for physical prototyping, enabling more efficient and cost-effective roller coaster development.

Back to Projects